Product Summary
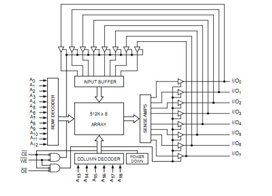
The CY62148ELL-45ZXI is a high performance CMOS static RAM organized as 512 K words by 8-bits. The CY62148ELL-45ZXI features advanced circuit design to provide ultra low active current. This is ideal for providing More Battery Life (MoBL) in portable applications such as cellular telephones. The CY62148ELL-45ZXI also has an automatic power-down feature that significantly reduces power consumption when addresses are not toggling. Placing the device into standby mode reduces power consumption by more than 99% when deselected (CE HIGH).
Parametrics
CY62148ELL-45ZXI absolute maximum ratings: (1)Storage temperature:–65℃ to + 150℃; (2)Ambient temperature with power applied:–55℃ to + 125℃; (3)Supply voltage to ground potential:–0.5V to 6.0V (VCCmax + 0.5V); (4)DC voltage applied to outputs in high Z state:–0.5V to 6.0V(VCCmax + 0.5 V); (5)DC input voltage:–0.5V to 6.0V (VCCmax + 0.5 V); (6)Output current into outputs (LOW):20mA; (7)Static discharge voltage:> 2001V(per MIL-STD-883, Method 3015); (8)Latch-up current:> 200mA.
Features
CY62148ELL-45ZXI features: (1)Very high speed: 45 ns; (2)Voltage range: 4.5 V to 5.5 V; (3)Pin compatible with CY62148B; (4)Ultra low standby power: Typical standby current: 1 μA, Maximum standby current: 7 μA (Industrial); (5)Ultra low active power: Typical active current: 2.0 mA at f = 1 MHz; (6)Easy memory expansion with CE, and OE features; (7)Automatic power-down when deselected; (8)Complementary metal oxide semiconductor (CMOS) for optimum speed and power; (9)Available in Pb-free 32-pin thin small outline package (TSOP) II and 32-pin small-outline integrated circuit (SOIC) packages.
Diagrams

![]() |
![]() CY62126BV |
![]() Other |
![]() |
![]() Data Sheet |
![]() Negotiable |
|
||||
![]() |
![]() CY62126DV30 |
![]() Other |
![]() |
![]() Data Sheet |
![]() Negotiable |
|
||||
![]() |
![]() CY62126DV30L-55BVXE |
![]() Cypress Semiconductor |
![]() SRAM SLO 3.0V SUPER LO PWR 64K X 16 SRAM |
![]() Data Sheet |
![]() Negotiable |
|
||||
![]() |
![]() CY62126DV30L-55BVXET |
![]() Cypress Semiconductor |
![]() SRAM SLO 3.0V SUPER LO PWR 64K X 16 SRAM |
![]() Data Sheet |
![]() Negotiable |
|
||||
![]() |
![]() CY62126DV30L-55ZSXE |
![]() Cypress Semiconductor |
![]() SRAM SLO 3.0V SUPER LO PWR 64K X 16 SRAM |
![]() Data Sheet |
![]() Negotiable |
|
||||
![]() |
![]() CY62126DV30L-55ZSXET |
![]() Cypress Semiconductor |
![]() SRAM SLO 3.0V SUPER LO PWR 64K X 16 SRAM |
![]() Data Sheet |
![]() Negotiable |
|
||||
(China (Mainland))










