Product Summary
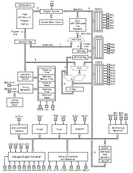
The PIC16F687-I-SO is a 20-Pin Flash-Based, 8-Bit CMOS Microcontroller with nanoWatt Technology. It has a 13-bit program counter capable of addressing an 8K x 14 program memory space. The PIC16F687-I-SO has a host of features intended to maximize system reliability, minimize cost through elimination of external components. The PIC16F687-I-SO provides power saving features and offer code protection. There is also circuitry to reset the device if a brown-out occurs, which can use the Power-up Timer to provide at least a 64 ms Reset. With these three functions-on-chip, most applications need no external Reset circuitry.
Parametrics
PIC16F687-I-SO absolute maximum ratings: (1)Ambient temperature under bias:-40℃ to +125℃; (2)Storage temperature:-65℃ to +150℃; (3)Voltage on VDD with respect to VSS:-0.3V to +6.5V; (4)Voltage on MCLR with respect to Vss:-0.3V to +13.5V; (5)Voltage on all other pins with respect to VSS:-0.3V to (VDD + 0.3V); (6)Total power dissipation:800 mW; (7)Maximum current out of VSS pin:300 mA; (8)Maximum current into VDD pin:250 mA; (9)Input clamp current, IIK (VI < 0 or VI > VDD):±20 mA; (10)Output clamp current, IOK (Vo < 0 or Vo >VDD):±20 mA; (11)Maximum output current sunk by any I/O pin:25 mA; (12)Maximum output current sourced by any I/O pin:25 mA; (13)Maximum current sunk by PORTA, PORTB and PORTC (combined):200 mA; (14)Maximum current sourced PORTA, PORTB and PORTC (combined):200 mA.
Features
PIC16F687-I-SO features: (1)Power-Saving Sleep mode; (2)Wide Operating Voltage Range (2.0V-5.5V); (3)Industrial and Extended Temperature Range; (4)Power-on Reset (POR); (5)Power-up Timer (PWRTE) and Oscillator Start-up Timer (OST); (6)Brown-out Reset (BOR) with Software Control Option; (7)Factory calibrated to ± 1%; (8)Software selectable frequency range of 8 MHz to 32 kHz; (9)Software tunable; (10)Two-Speed Start-up mode; (11)Crystal fail detect for critical applications; (12)Clock mode switching during operation for power savings; (13)High current source/sink for direct LED drive; (14)Interrupt-on-Change pin; (15)Individually programmable weak pull-ups; (16)Ultra Low-Power Wake-up (ULPWU); (17)16-bit Capture, max resolution 12.5 ns; (18)Compare, max resolution 200 ns; (19)PWM output steering control.
Diagrams

![]() |
![]() PIC1018SCL |
![]() Other |
![]() |
![]() Data Sheet |
![]() Negotiable |
|
||||||||||||
![]() |
![]() PIC10F200 |
![]() Other |
![]() |
![]() Data Sheet |
![]() Negotiable |
|
||||||||||||
![]() |
![]() PIC10F200-E/MC |
![]() Microchip Technology |
![]() 8-bit Microcontrollers (MCU) 384B Flash16B RAM 4 I/O |
![]() Data Sheet |
![]()
|
|
||||||||||||
![]() |
![]() PIC10F200-E/OT |
![]() Other |
![]() |
![]() Data Sheet |
![]() Negotiable |
|
||||||||||||
![]() |
![]() PIC10F200-E/P |
![]() Microchip Technology |
![]() 8-bit Microcontrollers (MCU) U 579-PIC10F200-I/P |
![]() Data Sheet |
![]() Negotiable |
|
||||||||||||
![]() |
![]() PIC10F200-I/MC |
![]() Microchip Technology |
![]() 8-bit Microcontrollers (MCU) 0.375KB Fl 16B RAM |
![]() Data Sheet |
![]()
|
|
||||||||||||
(China (Mainland))









