Product Summary
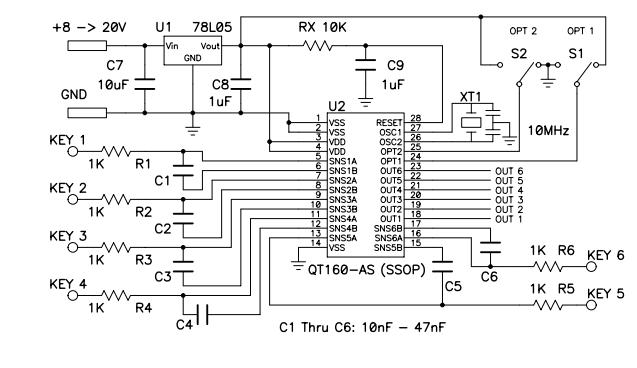
The QT160-ASG is a self-contained digital controller. It can also make metal-bearing objects responsive to proximity or touch by turning them into intrinsic sensors. These capabilities coupled with continuous self-calibration can lead to entirely new product concepts, adding high value to product designs. The QT160-ASG is designed specifically for human interfaces, like control panels, appliances, gaming devices, lighting controls, or anywhere a mechanical switch or button may be found; they may also be used for some material sensing and control applications. The QT160-ASG requires only a common inexpensive capacitor per channel in order to function.
Parametrics
QT160-ASG absolute maximum ratings: (1)Operating temp:as designated by suffix; (2)Storage temp:-55OC to +125OC; (3)VDD:-0.5 to +7.0V; (4)Max continuous pin current, any control or drive pin:±20mA; (5)Short circuit duration to ground, any pin:infinite; (6)Short circuit duration to VDD, any pin:infinite; (7)Voltage forced onto any pin:-0.6V to (Vdd + 0.6) Volts.
Features
QT160-ASG features: (1)6 completely independent touch circuits; (2)Individual logic outputs per channel (active high); (3)Projects prox fields through any dielectric; (4)Only one external capacitor required per channel; (5)Sensitivity easily adjusted on a per-channel basis; (6)100% autocal for life - no adjustments required; (7)3-5.5V, 5mA single supply operation; (8)Toggle mode for on/off control (strap option); (9)10s, 60s, infinite auto-recal timeout (strap options); (10)Less expensive per key than many mechanical switches; (11)Eval board with backlighting - p/n E160; (12)Pb-Free package available.
Diagrams

| Image | Part No | Mfg | Description | ![]() |
Pricing (USD) |
Quantity | ||||||||||
|---|---|---|---|---|---|---|---|---|---|---|---|---|---|---|---|---|
![]() |
![]() QT160-ASG |
![]() |
![]() IC SENSOR 6CH 5V 5MA SGL 28SSOP |
![]() Data Sheet |
![]() Negotiable |
|
||||||||||
| Image | Part No | Mfg | Description | ![]() |
Pricing (USD) |
Quantity | ||||||||||
![]() |
![]() QT160-AS |
![]() |
![]() SENSOR IC 6CH 5V 5MA SGL 28-SSOP |
![]() Data Sheet |
![]() Negotiable |
|
||||||||||
![]() |
![]() QT160-ASG |
![]() |
![]() IC SENSOR 6CH 5V 5MA SGL 28SSOP |
![]() Data Sheet |
![]() Negotiable |
|
||||||||||
![]() |
![]() QT161-DG |
![]() Atmel |
![]() Board Mount Motion & Position Sensors INTEGRATED-CIRCUIT |
![]() Data Sheet |
![]() Negotiable |
|
||||||||||
![]() |
![]() QT161-D |
![]() |
![]() IC SENSOR 6CHAN QTOUCH 28DIP |
![]() Data Sheet |
![]() Negotiable |
|
||||||||||
![]() |
![]() QT161-ASG |
![]() |
![]() IC SENSOR QTOUCH 6CHAN 28SSOP |
![]() Data Sheet |
![]()
|
|
||||||||||
![]() |
![]() QT161-AS |
![]() |
![]() IC SENSOR 6CHAN QTOUCH 28SSOP |
![]() Data Sheet |
![]() Negotiable |
|
||||||||||
(China (Mainland))











