Product Summary
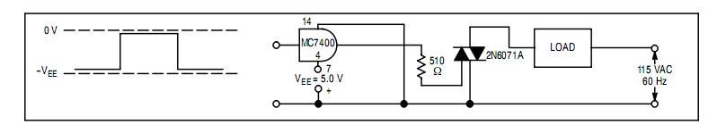
The 2N6075BG is a Sensitive Gate Triacs Silicon Bidirectional Thyristor. Designed primarily for full-wave AC control applications, such as light dimmers, motor controls, heating controls and power supplies; or wherever full-wave silicon gate controlled solid-state devices are needed. The 2N6075BG switchs from a blocking to a conducting state for either polarity of applied anode voltage with positive or negative gate triggering.
Parametrics
2N6075BG absolute maximum ratings: (1)Peak Repetitive Off-State Voltage:600V; (2)On-State RMS Current:4.0 A; (3)Peak Non-repetitive Surge Current:30 A; (4)Circuit Fusing Considerations (t = 8.3 ms):3.7 A2s; (5)Peak Gate Power:10 W; (6)Average Gate Power:0.5 W; (7)Peak Gate Voltage:5.0 V; (8)Operating Junction Temperature Range:-40℃ to +110℃; (9)Storage Temperature Range:-40℃ to +150℃; (10)Mounting Torque (6-32 Screw):8.0 in. lb..
Features
2N6075BG features: (1)Sensitive Gate Triggering Uniquely Compatible for Direct Coupling to TTL, HTL, CMOS and Operational Amplifier Integrated Circuit Logic Functions; (2)Gate Triggering: 4 Mode; (3)Blocking Voltages to 600 V; (4)All Diffused and Glass Passivated Junctions for Greater Parameter Uniformity and Stability; (5)Small, Rugged, Thermopad Construction for Low Thermal Resistance, High Heat Dissipation and Durability; (6)Device Marking: Device Type, e.g., 2N6071A, Date Code.
Diagrams

| Image | Part No | Mfg | Description | ![]() |
Pricing (USD) |
Quantity | ||||||||||||
|---|---|---|---|---|---|---|---|---|---|---|---|---|---|---|---|---|---|---|
![]() |
![]() 2N6075BG |
![]() ON Semiconductor |
![]() Triacs Sensitive Gate |
![]() Data Sheet |
![]()
|
|
||||||||||||
| Image | Part No | Mfg | Description | ![]() |
Pricing (USD) |
Quantity | ||||||||||||
![]() |
![]() 2N60 |
![]() Other |
![]() |
![]() Data Sheet |
![]() Negotiable |
|
||||||||||||
![]() |
![]() 2N6027 |
![]() Central Semiconductor |
![]() SCRs Prog Uni-Junction |
![]() Data Sheet |
![]()
|
|
||||||||||||
![]() |
![]() 2N6027G |
![]() ON Semiconductor |
![]() SCRs 40V 300mW PUT |
![]() Data Sheet |
![]()
|
|
||||||||||||
![]() |
![]() 2N6027RL1 |
![]() |
![]() THYRISTOR PROG UNIJUNCT 40V TO92 |
![]() Data Sheet |
![]() Negotiable |
|
||||||||||||
![]() |
![]() 2N6027RL1G |
![]() ON Semiconductor |
![]() SCRs 40V 300mW PUT |
![]() Data Sheet |
![]()
|
|
||||||||||||
![]() |
![]() 2N6027RLRA |
![]() ON Semiconductor |
![]() SCRs 40V 300mW PUT |
![]() Data Sheet |
![]() Negotiable |
|
||||||||||||
(China (Mainland))













